BNPP | Paris - Boulevard des Italiens (75)

Fondations - Installation de chantier

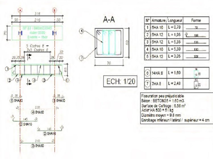
BT Consulting a mené la mission de conception et exécution pour la création des semelles pour l’installation de chantier sur la voirie existante. L’installation de chantier consiste dans la mise en place d’une charpente métallique qui reprend 8 niveaux de bungalow.
La particularité de cette mission est représenté par l’étude des ouvrages enterrés, plus précisément des ovoïdes des égouts de Paris ainsi que de la galerie souterraine d’accès entre les quais de la ligne 9 et de la ligne 8 du métro à Richelieu Drouot.